公称压力
|
1.6
|
2.5
|
MPa
|
壳体试验压力
|
2.4
|
3.8
|
密封试验压力
|
1,8
|
2.8
|
适用温度
|
≤80;≤120;≤150;≤200
|
℃
|
适用介质
|
空气、煤气、水、油品、酸、碱等
|
三、结构特点
1、采用对夹式连接形式、体积小、重量轻、安装维修方便。
2、采用双偏心软密封结构,密封可靠,启闭灵活,使用寿命长。
3、备有多种操作机构可供选择,并能满足计算机程式控的需要。
四、主要零件材料
零件名称
|
阀体
|
密封圈
|
蝶板
|
阀轴
|
材料
|
铸钢、球铁
铸不锈钢
超低碳不锈钢
|
橡胶
聚四氟乙烯
|
球铁镀镍
铸不锈钢
20号合金
|
不锈钢
超低碳不锈钢
20号合金
|
五、执行标准
1、设计制造:GB12238
2、法兰连接尺寸:GB9115
3、结构长度:GB12221
4、检验与试验:GB/T13927
六、结构简图


七、D72X/F-16/25型主要连接尺寸、外形尺寸及重量
DN
|
PN(MPa)
|
D1
|
n—do
|
L
|
H
|
H
|
Lo
|
参考重量kg
|
50
|
1.6/2.5
|
125
|
4—18
|
43
|
290
|
75
|
260
|
6.5
|
65
|
1.6
|
145
|
4—18
|
46
|
320
|
83
|
260
|
9
|
2.5
|
8—18
|
80
|
1.6/2.5
|
160
|
8—18
|
64
|
350
|
87
|
260
|
15
|
10O
|
1.6
|
180
|
8—18
|
64
|
390
|
116
|
300
|
23
|
2.5
|
190
|
8—22
|
125
|
1.6
|
210
|
8—18
|
70
|
470
|
129
|
300
|
32
|
2.5
|
220
|
8—26
|
150
|
1.6
|
240
|
8—22
|
76
|
540
|
144
|
300
|
41
|
2.5
|
250
|
8—26
|
八、D372X/F-16/25型主要连接尺寸、外形尺寸及重量
DN
|
PN(MPa)
|
D1
|
n—do
|
L
|
L1
|
L2
|
H
|
H1
|
Do
|
手动装置
|
参考重量
|
200
|
1.6
|
295
|
12—22
|
89
|
172
|
235
|
725
|
175
|
160
|
SQ1000
|
67
|
2.5
|
310
|
12—26
|
250
|
1.6
|
355
|
12—26
|
114
|
775
|
206
|
85
|
2.5
|
370
|
12—30
|
300
|
1.6
|
41O
|
12—26
|
114
|
195
|
290
|
825
|
246
|
200
|
SQ2000
|
125
|
2.5
|
430
|
16—30
|
350
|
1.6
|
470
|
16—26
|
127
|
890
|
300
|
165
|
2.5
|
490
|
16—33
|
400
|
1.6
|
525
|
16—30
|
140
|
238
|
392
|
960
|
330
|
320
|
SQ4000
|
210
|
2.5
|
550
|
16—36
|
450
|
1.6
|
585
|
20—30
|
152
|
113O
|
360
|
270
|
2.5
|
600
|
20—36
|
500
|
1.6
|
650
|
20—33
|
152
|
283
|
420
|
1200
|
397
|
500
|
SQ8000
|
320
|
2.5
|
660
|
20—36
|
600
|
1.6
|
770
|
20—36
|
178
|
1320
|
455
|
410
|
2.5
|
770
|
20—39
|
700
|
1.6
|
840
|
24—36
|
229
|
560
|
460
|
1450
|
510
|
620
|
2.5
|
875
|
24—42
|
800
|
1.6
|
950
|
24—39
|
241
|
1600
|
612
|
|
|
840
|
2.5
|
990
|
24—48
|
900
|
1.6
|
1050
|
28—39
|
241
|
575
|
460
|
1800
|
655
|
500
|
SQ16000
|
1130
|
1000
|
1.6
|
1170
|
28—42
|
300
|
1950
|
710
|
1470
|
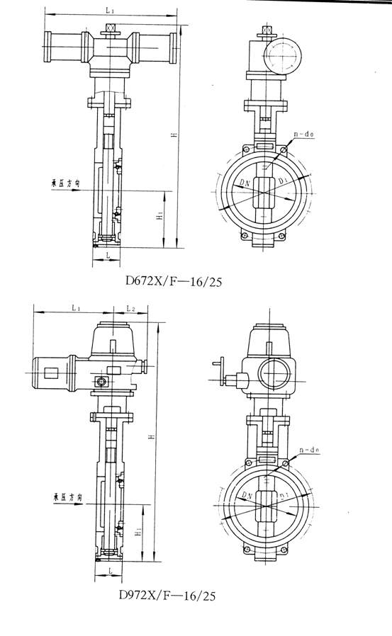
九、D672X/F—16/25型连接尺寸、外形尺寸及重量
DN
|
PN
(MPa)
|
D1
|
n—do
|
L
|
L1
|
H
|
H1
|
气动装置
型号
|
管接
(in)
|
耗气量
(cm³)
|
参考重量
kg
|
50
|
1.6/2.5
|
125
|
4—18
|
43
|
210
|
402
|
67
|
TAG11
|
ZG1/4
|
1800
|
16.5
|
65
|
1.6
|
145
|
4—18
|
46
|
422
|
77
|
21
|
2.5
|
8—18
|
80
|
1.6/2.5
|
160
|
8—18
|
64
|
435
|
85
|
26
|
100
|
1.6
|
180
|
8—18
|
64
|
507
|
1O7
|
TAG13
|
2500
|
32
|
2.5
|
190
|
8—22
|
125
|
1.6
|
210
|
8—18
|
70
|
240
|
560
|
123
|
48
|
2.5
|
220
|
8—26
|
150
|
1.6
|
240
|
8—22
|
76
|
670
|
145
|
59
|
2.5
|
250
|
8—26
|
200
|
1.6
|
295
|
12—22
|
89
|
275
|
850
|
75
|
TAW13
|
3200
|
88
|
2.5
|
310
|
12—26
|
250
|
1.6
|
355
|
12—26
|
114
|
905
|
205
|
112
|
2.5
|
370
|
12—30
|
300
|
1.6
|
410
|
12—26
|
114
|
428
|
929
|
246
|
TAW17
|
ZG3/8
|
4100
|
146
|
2.5
|
430
|
16—30
|
350
|
1.6
|
470
|
16—26
|
127
|
960
|
300
|
198
|
2.5
|
490
|
16—33
|
400
|
1.6
|
525
|
16—30
|
140
|
934
|
1052
|
330
|
295
|
2.5
|
550
|
16—36
|
450
|
1.6
|
585
|
20—30
|
152
|
1116
|
360
|
AW20
|
5700
|
405
|
2.5
|
600
|
20—36
|
500
|
1.6
|
650
|
20—33
|
152
|
1220
|
397
|
515
|
2.5
|
660
|
20—36
|
600
|
1.6
|
770
|
20—36
|
178
|
1320
|
1403
|
455
|
AW28
|
11500
|
680
|
2.5
|
770
|
20—39
|
700
|
1.6
|
840
|
24—36
|
229
|
1510
|
51O
|
830
|
2.5
|
875
|
24—42
|
800
|
1.6
|
950
|
24—39
|
241
|
1530
|
1654
|
621
|
QQA16000
|
G3/4
|
21500
|
1110
|
2.5
|
990
|
24—48
|
900
|
1.6
|
1050
|
28—39
|
241
|
1860
|
655
|
1340
|
1000
|
1.6
|
1170
|
28—42
|
300
|
2070
|
710
|
1660
|
十、D972X/F—16/25型主要连接尺寸、外形尺寸及重量
DN
|
PN
(MPa)
|
D1
|
n—do
|
L
|
L1
|
L2
|
H
|
H1
|
电动装置
|
参考重量
kg
|
型号
|
电机功率
|
50
|
1.6/2.5
|
125
|
4—18
|
43
|
250
|
275
|
365
|
67
|
QR30—1
|
0.12
|
35
|
65
|
1.6
|
145
|
4—18
|
46
|
383
|
77
|
48
|
2.5
|
8—18
|
80
|
1.6/2.5
|
160
|
8—18
|
64
|
392
|
85
|
60
|
100
|
1.6
|
180
|
8—18
|
64
|
465
|
107
|
79
|
2.5
|
190
|
8—22
|
125
|
1.6
|
210
|
8—18
|
70
|
250
|
275
|
505
|
123
|
QR60—1
|
0.18
|
92
|
2.5
|
220
|
8—26
|
150
|
1.6
|
240
|
8—22
|
76
|
565
|
145
|
110
|
2.5
|
250
|
8—26
|
200
|
1.6
|
295
|
12—22
|
89
|
260
|
230
|
740
|
175
|
QB120—1
|
0.37
|
140
|
2.5
|
310
|
12—26
|
250
|
1.6
|
355
|
12—26
|
114
|
905
|
206
|
176
|
2.5
|
370
|
12—30
|
300
|
1.6
|
410
|
12—26
|
114
|
260
|
335
|
1050
|
246
|
QB250—1
|
0.55
|
230
|
2.5
|
430
|
16—30
|
350
|
1.6
|
470
|
16—26
|
127
|
1120
|
300
|
325
|
2.5
|
490
|
16—33
|
400
|
1.6
|
525
|
16—30
|
140
|
320
|
440
|
1250
|
330
|
TQ4000
|
0.75
|
436
|
2.5
|
550
|
16—36
|
450
|
1.6
|
585
|
20—30
|
152
|
1340
|
360
|
565
|
2.5
|
600
|
20—30
|
500
|
1.6
|
650
|
20—33
|
152
|
520
|
720
|
1420
|
397
|
TQ8000
|
1.5
|
740
|
2.5
|
660
|
20—36
|
600
|
1.6
|
770
|
20—36
|
178
|
1540
|
455
|
870
|
2.5
|
770
|
20—39
|
700
|
1.6
|
840
|
24—36
|
229
|
585
|
828
|
1620
|
510
|
1160
|
2.5
|
875
|
24—42
|
800
|
1.6
|
950
|
24—39
|
241
|
1790
|
612
|
TQ16000
|
2.2
|
1390
|
2.5
|
990
|
24—48
|
900
|
1.6
|
1050
|
28—39
|
241
|
750
|
1020
|
1920
|
655
|
1560
|
1000
|
1.6
|
1170
|
28—2
|
300
|
2140
|
710
|
1790
|
|