对夹蝶型止回阀
|
概述:
本厂生产的H76X型对夹式止回阀由阀体、阀瓣、阀杆及弹簧等零件组成,采用对夹连接。由于阀瓣的关闭行程短,并且有弹簧加载,可显著减少水锤现象。该阀主要适用于城市、工业及高层建筑给水、排水管网上。由于其结构长度比一般止回阀短,对有安装空间限制的场所最为适用。 |
|
|
主要零部件材料:
零件名称 |
阀体 |
阀瓣 |
阀杆 |
弹簧 |
阀座 |
| 材 料 |
铸铁、铸钢 |
碳钢 |
不锈钢 |
不锈钢 |
丁腈 橡胶 |
|
主要技术参数:
| 型 号 |
公 称 压 力 PN(MPa) |
强度试验压力(MPa) |
密封试验压力(MPa) |
适用 温度 |
适用 介质 |
| H76X-10 |
1.0 |
1.5 |
1.1 |
≤80℃ |
清水
污水 |
| H76X-16 |
1.6 |
2.4 |
1.76 |
|
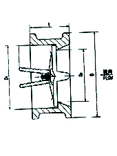
主要外形尺寸:
| 公称通径 DN(mm) |
L(mm) |
H(mm) |
D(mm) |
| 1.0MPa |
1.6MPa |
| 50 |
43 |
60 |
105 |
105 |
| 65 |
46 |
73 |
124 |
124 |
| 80 |
64 |
89 |
142 |
142 |
| 100 |
64 |
110 |
162 |
162 |
| 125 |
70 |
141 |
192 |
192 |
| 150 |
76 |
168 |
218 |
218 |
| 200 |
89 |
219 |
272 |
273 |
| 250 |
114 |
273 |
328 |
328 |
| 300 |
114 |
324 |
378 |
384 |
|
| 公称通径 DN(mm) |
L(mm) |
H(mm) |
D(mm) |
| 1.0MPa |
1.6MPa |
| 350 |
127 |
356 |
438 |
444 |
| 400 |
140 |
418 |
489 |
495 |
| 450 |
152 |
457 |
540 |
555 |
| 500 |
152 |
526 |
594 |
616 |
| 600 |
178 |
626 |
695 |
734 |
| 700 |
229 |
672 |
810 |
804 |
| 800 |
241 |
778 |
916 |
910 |
| 900 |
241 |
878 |
1016 |
1010 |
| 1000 |
300 |
914 |
1124 |
1128 |
|