首    页
 
公司简介
 
产品集锦
 
产品目录
 
联系我们
 
电子邮局
 

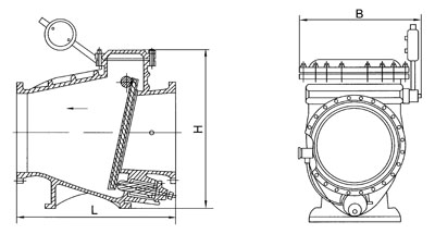
微阻缓闭型止回阀

一、结构及用途
  该阀用于给排水管道,安装在水泵出口处用来防止介质逆流和消除破坏性水锤,并能有效地减少阀门关闭水锤压力,可保障管网安全运行。它具有阀瓣经、开度大、节电效果显著,流体阻力小,水锤消除机构设计新颖,密封性能稳定可靠、耐磨损、使用寿命长、运行平稳、无振动、无噪声等特点。
二、主要零件材料
三、主要技术参数
四、主要外形尺寸
铸铁法兰连接尺寸按GB4216-84标准;铸钢法兰连接尺寸按JB/T79.1-1994标准。





首 页 | 公司简介 | 产品集锦 | 产品目录 | 联系我们 | 电子邮局
Copyright @ 启东市焦化阀门制造有限公司 2008-2010 all rights reserved 地址:江苏省启东市汇龙工业园区兴龙路1号 邮编:226200
电话:0513-83632353 83639822 83639833 传真:0513-83632353 83639833 Email:office@jiaohua-valve.com