|
|
 |
 |
| |
液动扇形盲板阀
YJF743X-0.1/0.5/1/2.5
|
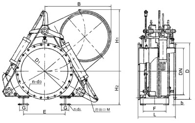
| 一、结构简图 |
|
| 二、阀门组成及动作原理 |
| 液动扇形盲板阀由左、右阀体、伸缩机构、扇形阀板及驱动阀板的液压缸Ⅰ和夹紧、松开用的液压缸Ⅱ组成。关阀:液压缸Ⅱ动作,密封副脱开,然后液压缸Ⅰ动作,扇形阀板由开到关,关到位后,液压缸Ⅱ再反方向动作,密封副夹紧,关阀结束。开阀则反之。 |
| 三、主要外形及连接尺寸 |
|
| 注:Ⅰ.气缸气源压力为0.4~0.6MPa配套液压站供油量须可调,以控制阀门启闭速度;Ⅱ.根据用户需要,本阀可配套带液压站(接近开关)、电控制箱等,但须在合同中注明。 |
| 四、附件参数(订货时,请在合同中详细注明) |
|
|
|
|