|
|
 |
 |
| |
电动扇形盲板阀
YJF943X-0.1/0.5/1/2.5
|
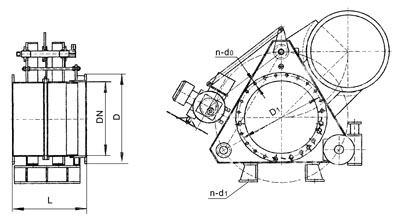
| 一、结构简图 |
|
| 二、主要结构特点 |
1、本阀由阀门本体、驱动装置,夹紧装置等组成。
2、阀门本体采用三点式结构,结构紧凑、整体刚性好、重量好。
3、阀体、阀板密封副采用不锈钢与橡胶组成的柔性密封副,密封可靠,密封圈采用氟橡胶,耐高温,使用寿命长。
4、夹紧机构采用丝杆螺母式,夹紧、松开动作迅速,自锁性好。
5、采用防爆型电机,无论在室内还是室外,均能保证阀门安全可靠运作。
6、本盲板阀可现场手动操作,也可远距离顺控。
7、本盲板阀也可单独设计电气控制箱操作控制装置,本机出厂不配电气控制箱,用户如需另订。 |
| 三、动作原理 |
1、由阀开启到阀关闭:
夹紧电机动作,带动丝杆作逆时针转动,阀体松开到位(指标灯显示),驱动电机动作,带动闸板作逆时针转动到位,闸板关闭到位(指示灯显示),夹紧电机动作,带动丝杆作顺时针转动,阀体夹紧到位(指示灯显示)完成阀门由开启到关闭的全过程。
2、阀门由关闭到开启:
夹紧电机动作,带动丝杆作逆时针转动,阀体松开到位(指标灯显示),驱动电机动作,带动闸板作顺时针转动,闸板开启到位,(指示灯显示)完成阀门由关闭到开启的全过程。 |
| 四、主要连接尺寸 |
|
|
|
|