首    页
 
公司简介
 
产品集锦
 
产品目录
 
联系我们
 
电子邮局
 

电动推杆扇形盲板阀
YJF9T43X-0.5/1/2.5

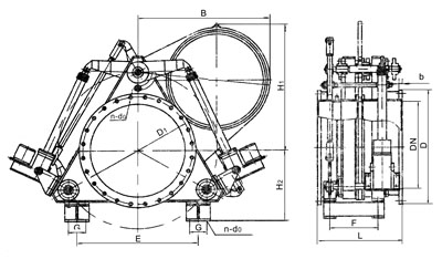
一、结构简图
二、阀门组成及动作原理
  电动扇形盲板阀由左、右阀体、伸缩机构、扇形阀板及驱动阀板的电动推杆Ⅰ和夹紧、松开的电动推杆Ⅱ组成。关阀:电动推杆Ⅱ动作,密封副脱开,然后电动推杆Ⅰ动作,扇形阀板由开到关,关到位后,电动推杆Ⅱ再反方向动作,密封副夹紧,关阀结束。开阀则反之。
三、主要外形及连接尺寸





首 页 | 公司简介 | 产品集锦 | 产品目录 | 联系我们 | 电子邮局
Copyright @ 启东市焦化阀门制造有限公司 2008-2010 all rights reserved 地址:江苏省启东市汇龙工业园区兴龙路1号 邮编:226200
电话:0513-83632353 83639822 83639833 传真:0513-83632353 83639833 Email:office@jiaohua-valve.com