|
|
 |
 |
| |
电动水封蝶阀
SFD941X-1C
|
| 一、用途 |
| SFD941X-1C系列电动水封蝶阀主要应用于可燃性气体管道上作为系统检修时的可靠隔断装置,是取代眼镜阀、水封、盲板的理想产品。 |
| 二、主要性能参数 |
|
| 三、主要结构特点 |
1、本阀采用双蝶板式,阀关闭,中腔充水,达到双向密封。
2、密封副采用柔性密封,阀座为不锈钢,密封圈为橡胶,密封圈装在蝶板上,采用压板固定,过盈量可调,更换密封圈方便。
3、电动装置采用防爆型,动作安全可靠。
4、随阀门配套提供充放水系统及电气控制系统,用户可直接安装使用。 |
| 四、主要零件材料 |
|
| 五、执行标准 |
| Q/320681CF07-2000。 |
| 六、 水封系统原理图 |
|
| 流程框图 |
|
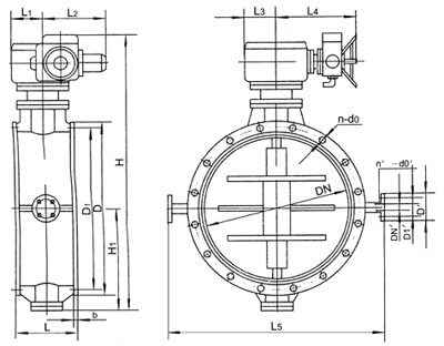
| 七、结构简图 |
|
| 八、SDF941X-1C型主要连接尺寸、外形尺寸及重量 |
|
| 九、电动装置主要参数 |
|
|
|
|