| |
气动三通煤气切换阀STD641X-0.5C
|
| 一、用途 |
本产品是煤气回收中理想设备,是我厂在吸收国外先进结构的基础上自行设计制造的,结构合理轻匚密封可靠,操作方便,耐结尘性好,寿命长,采用气压传动,装有阀位信号输出元件,可远程集中控制。
应用场合,转炉煤气回收装置中,控制煤气的回收与散放。 |
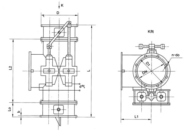
| 二、结构简图 |
|
三、主要性能参数
公称压力MPa |
密封试验压力MPa |
壳体试验压力MPa |
适用温度℃ |
适用介质 |
气源压力MPa |
启闭切换时间 |
0.05 |
0.06 |
0.08 |
≤80、≤120 |
煤气等 |
0.4-0.6 |
≤15S |
|
四、结构特点
1、本体部分:主要由三通体和结构与性能完全相同的两只蝶阀组成,蝶阀主要由阀体、阀板、阀杆、密封圈等组成。
2、执行机构:主要由气缸摇臂、连杆、气动控制箱及限位行程开关等组成。
3、机械联系:动力气缸和连杆机构保证了两只蝶阀运动切换的准确同步动作,当蝶阀的蝶板一只全开时,另一只恰好全关,这种机械联锁,在煤气回收中具有特殊的重量性。
4、本三通阀门可根据用户要求调整两个蝶阀位置,此时尺寸L为(L-LO),尺寸L1为(L1+LO)。 |
|
| |
| 五、主要零件材料 |
零件名称 |
阀体、蝶板、三通体 |
阀轴 |
阀座、喷水导板 |
密封圈 |
材料 |
碳素钢 |
不锈钢 |
不锈钢 |
橡胶 |
|
|
| 六、主要外形尺寸、连接尺寸及重量 |
STD641X-0.5C型
DN |
D |
D1 |
b |
n-do |
L |
Lo |
l1 |
l2 |
d气 |
参考重量KG |
500 |
645 |
600 |
18 |
20-22 |
1585 |
229 |
560 |
1120 |
10 |
1380 |
600 |
755 |
705 |
18 |
20-26 |
1785 |
290 |
600 |
1200 |
10 |
1650 |
800 |
975 |
920 |
18 |
24-30 |
2125 |
310 |
750 |
1500 |
13 |
1960 |
1000 |
1175 |
1120 |
20 |
28-30 |
2225 |
330 |
780 |
1560 |
13 |
2470 |
1200 |
1375 |
1320 |
20 |
32-30 |
2445 |
360 |
860 |
1720 |
16 |
3000 |
1400 |
1575 |
1520 |
20 |
36-30 |
2605 |
380 |
920 |
1840 |
16 |
4000 |
1600 |
1785 |
1730 |
24 |
40-30 |
2825 |
410 |
1000 |
2000 |
19 |
5200 |
1800 |
1985 |
1930 |
24 |
44-30 |
3054 |
430 |
1070 |
2180 |
19 |
6500 |
2000 |
2185 |
2130 |
28 |
48-30 |
3275 |
460 |
1175 |
2350 |
22 |
8000 |
2400 |
2600 |
2540 |
28 |
56-33 |
3725 |
510 |
1350 |
2700 |
22 |
10100 |
|
| 注:d气表示管子内径尺寸 |