|
|
 |
 |
| |
自动调节蝶阀
ZAJW-6C
|
| 一、用途 |
| ZAJW-6C型自动调节蝶阀,其电动执行器能够将系统的控制信号转换成相应的动作,使被控介质按系统规定的状态工作,广泛应用于冶金、石油、化工、电站等工业部门生产过程的自动调节或远距离控制。特别适用于低压差、大流量的气体管路上。 |
| 二、主要性能参数 |
|
| 三、特 点 |
1、采用短结构、重量轻。
2、结构简单紧凑、操作方便、易维修。
3、电动执行器与伺服放大器操作器配套组合,能实现自动调节之功能,且既能现场手动操作,又能实现远距离
集中控制。 |
| 四、配用电动、气动装置性能数 |
|
| 五、主要零件材料 |
|
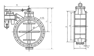
| 六、结构简图 |
|
ZAJW-6C |
| 七、ZAJW-6C主要连接尺寸外形尺寸及重量 |
|
| 八、电机执行机构系统图 |
|
|
| 九、产品型号说明 |
|
|
|
|