|
|
 |
 |
| |
高温气体调节蝶阀
GD71H-1P
|
| 一、用途 |
| 高温空气蝶阀适用于工作温度≤600℃的热空气等介质管道上作为调节使用。 |
| 二、主要性能参数 |
|
| 三、结构特点 |
1、根据工况要求,选用耐热材料,工况运行稳定可靠。
2、采用特殊结构形式,阀门在高温下启闭灵活。
3、手柄设置腰鼓形把手,操作阀门时,不会因介质温度高而烫手。
4、手柄可调节至任意位置并锁紧。
5、采用对夹式连接,阀门结构紧凑,重量轻。
6、采用线性密封、泄漏量≤1%。
7、除扳手操作外,还备有电动、气动、液动等驱动装置,供用户选择。 |
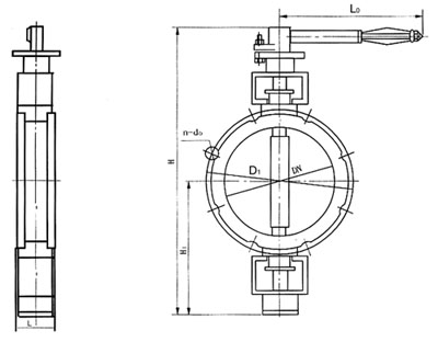
| 四、结构简图 |
|
GD71H-1P |
| 五、主要外形尺寸和连接尺寸 |
|
|
|
|