|
|
 |
 |
| |
耐磨尘气蝶阀
MD341S-1C、MD641S、MD941S-1C
|
| 一、用途 |
| 本系列耐磨尘气蝶阀是我公司根据用户含尘气体的性质和特点设计制造而成,广泛适用于含尘气体、煤气等介质,在冶金、化工、水泥等含尘气体等场合得到广泛应用。举例(特别适用于高炉蒸煤气放散及布袋除尘系统) |
| 二、主要性能参数 |
|
| 三、结构特点 |
1、阀座采用耐磨材质、耐磨损、耐冲刷、使用寿命长。
2、结构紧凑、启闭力矩小、动作迅速。
3、备有手动、电动、液动、气动等装置与之相匹配,电动、气动、液动等可实现计算机接口。 |
| 四、主要零件的材质 |
|
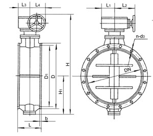
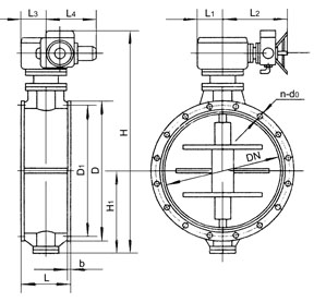
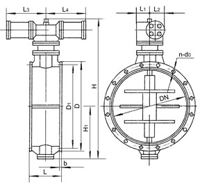
| 五、结构简图 |
|
| 六、MD341S-1C、MD641S-1C、MD941S-1C型主要连接尺寸、外形尺寸及重量 |
|
| 七、配用电动、气动装置性能参数 |
|
| 注:DN≥2600的气动装置采用推缸。 |
|
|
|