|
|
 |
 |
| |
矩形双层卸料阀
|
| 一、用途 |
| J642RW-0.1C、J642ZW-0.1C双层卸料阀是除尘器清灰系统的理想卸灰装置。该阀是在消化吸收国内外同类产品的基础上开发研制的新一代产品,广泛适用于建材、冶金、矿山、电力等工业生产中,作物料输送、截流用、且能锁风。 |
| 二、主要性能参数 |
|
| 三、主要结构特点 |
1、结构简单,重量轻
2、双层翻板交替动作,有效地控制排放。
3、J642ZW-0.1C采用锥形密封结构,密封可靠。
4、气动装置可自动控制。 |
| 四、主要零件的材质 |
|
| 五、气动装置性能参数 |
|
| 六、结构简图及连接尺寸、外形尺寸及重量 |
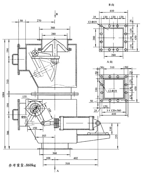
| 1、J642ZW-0.1C矩形双层卸料阀 |
|
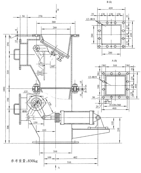
| 2、J642RW-0.1C矩形双层卸料阀 |
|
|
|
|