| |
星形卸灰阀(叶轮给料机)GLJW-4
|
一、用途
星形卸灰阀,亦称叶轮给料机,应用于高炉布袋除尘等干法除尘系统管线上,作为输送尘灰的理想设备。 |
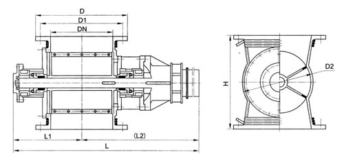
| 二、结构简图 |
|
| 三、主要性能参数 |
公称压力MPa |
壳体试验压力MPa |
适用温度℃ |
适用介质 |
0.25 |
0.38 |
≤250 |
煤气、灰等 |
|
规格Ф×Hmm |
配套减速器 |
电机功率KW |
150×250 |
BLY11-43-0.37 |
0.37 |
200×300 |
BLY11-43-0.75 |
0.75 |
250×400 |
BLY11-43-0.75 |
0.75 |
300×450 |
BLY12-43-1.5 |
1.5 |
350×500 |
BLY12-43-1.5 |
1.5 |
400×600 |
BLY12-43-1.5 |
1.5 |
450×650 |
BLY13-43-2.2 |
2.2 |
500×700 |
BLY13-43-2.2 |
2.2 |
|
| |
四、结构特点
1、采用直联式驱动机构,结构紧凑,体积小。
2、采用摆线针轮减速器驱动,传动效率高。
3、采用多叶片结构,使输送物为更均匀。
4、采用浮动密封片形式,动作时,叶片自动紧贴于阀体内腔,不会产生空隙。 |
五、主要零件材料
零件名称 |
阀体、阀盖 |
叶轮 |
叶片 |
阀轴 |
材料 |
铸铁 |
铸钢 |
不锈钢 |
不锈钢 |
|
| |
六、订货说明
1、选用时,请根据工艺条件(工况)确定所需的压力、温度等级,并在订货合同上详细注明。
2、选用时可根据用户要求提供特殊输送能力(可不根据主要性能参数栏中的性能参数)。
七、主要外形尺寸、连接尺寸及重量
规格 |
Ф |
H |
D |
D1 |
D2 |
n-do |
L |
L1 |
L2 |
参考重量kg |
Ф150×250 |
150 |
250 |
260 |
225 |
190 |
8-18 |
810 |
395 |
415 |
350 |
Ф200×300 |
200 |
300 |
320 |
280 |
240 |
8-18 |
905 |
445 |
460 |
425 |
Ф250×400 |
250 |
400 |
375 |
335 |
290 |
12-18 |
955 |
495 |
460 |
550 |
Ф300×450 |
300 |
450 |
440 |
395 |
340 |
12-22 |
1120 |
587 |
533 |
650 |
Ф350×500 |
350 |
500 |
490 |
445 |
390 |
12-22 |
1170 |
637 |
533 |
740 |
Ф400×600 |
400 |
600 |
540 |
495 |
440 |
16-22 |
1220 |
687 |
533 |
870 |
Ф450×650 |
450 |
650 |
595 |
550 |
500 |
16-22 |
1384 |
747 |
637 |
990 |
Ф500×750 |
500 |
750 |
645 |
600 |
560 |
20-22 |
1434 |
797 |
637 |
1150 |
|