首    页
 
公司简介
 
产品集锦
 
产品目录
 
联系我们
 
电子邮局
 

球面偏置式气动钟阀

一、用 途
  球面偏置式气动钟阀系消化吸收国外先进技术,采用独特的密封结构形式,广泛适用于高炉煤粉喷吹和制粉系统,作为截流密封用。
二、主要性能参数
三、结构特点
  1、本阀门主要由阀门本体、气动装置两部分组成。
   2、采用偏置式阀轴,球面和橡胶作为密封副,密封可靠,耐磨损、耐冲刷。
   3、可实现远距离控制。
四、气动装置性能参数
五、结构简图、主要连接尺寸、外形尺寸及重量
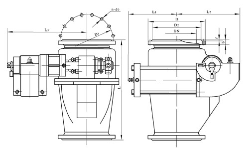
  1、PZ643X-10C球面偏置式气动钟阀
  PZ643X-10C型主要连接尺寸、外形尺寸及重量
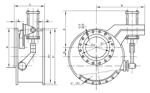
  2、BPZ643X-10/16C第二代球面偏置式气动钟阀
   特点:该阀在PZ643X-10C基础上作进一步的改进,采用外置滚动轴承结构,使阀门的体积更小,重量更轻。
BPZ643X-10型主要连接尺寸、外形尺寸及重量
BPZ643X-16型主要连接尺寸、外形尺寸及重量
3、CPZ643X-10/16C第三代球面偏置式气动钟阀
说明:本阀在使用BPZ643X-10/16净空高度不够的情况下采用。
CPZ643X-10型主要连接尺寸、外形尺寸及重量
CPZ643X-16型主要连接尺寸、外形尺寸及重量





首 页 | 公司简介 | 产品集锦 | 产品目录 | 联系我们 | 电子邮局
Copyright @ 启东市焦化阀门制造有限公司 2008-2010 all rights reserved 地址:江苏省启东市汇龙工业园区兴龙路1号 邮编:226200
电话:0513-83632353 83639822 83639833 传真:0513-83632353 83639833 Email:office@jiaohua-valve.com