首    页
 
公司简介
 
产品集锦
 
产品目录
 
联系我们
 
电子邮局
 

代钟阀喷煤粉球阀

一、用 途
  本系列球阀是我公司根据冶金行业高炉煤粉喷吹系统的特点而研制开发的新一代产品,具有超越普通球阀的优点,是作为控制含尘气体、含颗粒液体及固体粉未管路系统启闭装置的理想设备。
二、特点
  1、采用单向密封,用在煤粉喷吹系统,不会积灰卡住。
   2、选用经特殊工艺处理的填充聚四氟乙烯作密封圈材料,耐温、耐靡性能优越。
   3、采用双阀杆固定式球体,可长期保持开启和关闭的位置精度。
   4、阀座有自动补偿磨损装置,确保长期可靠的密封性能。
   5、阀门结构紧凑、重量轻、控制方便、性能可靠。
三、主要性能参数
四、作用原理与结构说明
  1、本阀门由阀门本体和气动装置二部分组成,其中阀门本体由阀体、阀盖、球体、上下阀 杆、密封圈、阀座等组成。
   2、气源接入气动装置,使气动装置输出轴旋转,从而带动阀杆、球体旋转,完成阀门启闭动作。
   3、本阀门阀体和阀盖之间,阀座和阀体之间及上下阀杆与阀体之间都采用O形橡胶密封圈,故结构简单,密封可靠。
   4、本阀的密封副采用不锈钢球体与填充聚四乙烯密封圈配对,摩擦系数小,耐磨性能好,密封可靠,且操作扭矩小。
五、主要零件材料
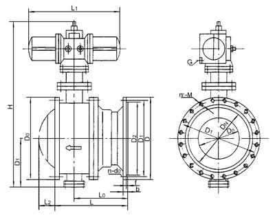
六、结构简图
气动代钟阀喷煤粉球阀
七、SQ647DZMF-6型主要连接尺寸、外形尺寸及重量
注:带“*”为如合同未注时优先供货规格。
八、SQ647DZMF-16型主要连接尺寸、外形尺寸及重量
注:带“*”为如合同未注时优先供货规格。
九、气动装置主要性能参数





首 页 | 公司简介 | 产品集锦 | 产品目录 | 联系我们 | 电子邮局
Copyright @ 启东市焦化阀门制造有限公司 2008-2010 all rights reserved 地址:江苏省启东市汇龙工业园区兴龙路1号 邮编:226200
电话:0513-83632353 83639822 83639833 传真:0513-83632353 83639833 Email:office@jiaohua-valve.com