首    页
 
公司简介
 
产品集锦
 
产品目录
 
联系我们
 
电子邮局

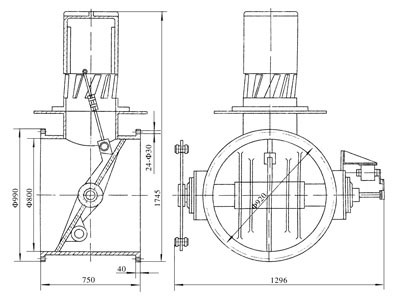
Ф800冷风放风阀
297备2

一、用途
  冷风放风阀适用于冷风和空气管道,将多余的气体从管道中排入大气。
二、作用条件





首 页 | 公司简介 | 产品集锦 | 产品目录 | 联系我们 | 电子邮局
Copyright @ 启东市焦化阀门制造有限公司 2008-2010 all rights reserved 地址:江苏省启东市汇龙工业园区兴龙路1号 邮编:226200
电话:0513-83632353 83639822 83639833 传真:0513-83632353 83639833 Email:office@jiaohua-valve.com