首    页
 
公司简介
 
产品集锦
 
产品目录
 
联系我们
 
电子邮局
 

气动快速煤气切断阀
KD647X-1C

一、用途
  本系列蝶阀是在吸收国内外先进技术的基础上,根据用户的实际工况设计的新一代快关式蝶阀,适用于高炉煤气、转炉煤气等可燃性气体管道中要求快速切断场合。
二、主要性能参数
三、结构特点
  1、采用橡胶密封圈,密封性能好,无泄漏。
   2、采用双偏心锥面密封结构,具有越关越紧的密封功能及密封副磨损补偿性。
   3、采用双作用气缸推动,启闭力矩大、动作速度快,阀门启闭迅速,流阻损失小。
   4、DN≥1400时采用储气装置及双电磁阀控制(DN≥1800时),来保证阀门快速动作时的气体供给。
   5、气缸采用缓冲设计,防止阀门快速启闭时的强力冲击而缩短阀门的使用寿命。
   6、气缸上装有消声器,以减小噪音对环境的污染。
四、主要零件材料
五、执行标准
  1、设计制造:GB12238;
   2、法兰连接尺寸;GB9115;
   3、检验和试验:GB/T13927
六、结构简图
七、200≤DN≤1200KD647X-1C型主要连接尺寸、外形尺寸及重量
八、DN≥1400KD647X-1C型主要连接尺寸、外形尺寸及重量
九、200≤DN≤1200时气动装置、电磁阀、接近开关的主要性能参数
十、DN≥1400时气动装置、电磁阀、接近开关的主要性能参数
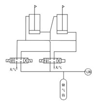
十一、气动原理图
注:DN≤1600时,采用单只电磁阀控制,
DN≥1400时,采用储气筒。





首 页 | 公司简介 | 产品集锦 | 产品目录 | 联系我们 | 电子邮局
Copyright @ 启东市焦化阀门制造有限公司 2008-2010 all rights reserved 地址:江苏省启东市汇龙工业园区兴龙路1号 邮编:226200
电话:0513-83632353 83639822 83639833 传真:0513-83632353 83639833 Email:office@jiaohua-valve.com