|
|
 |
 |
| |
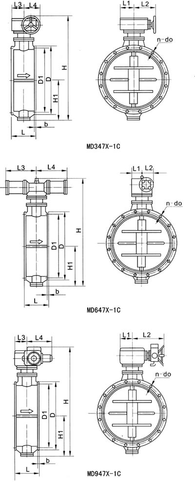
双偏心无泄漏煤气蝶阀
MD347X-1C、MD647X-1C、MD947X-1C
|
|
| |
一、用途
本系列蝶阀系消化吸收国内外先进技术的基础上研制设计的新一代煤气蝶阀,广泛应用于有高要求密封场合,作为调节和截流密封用。 |
| 二、结构简图 |
|
三、主要性能参数 |
公称压力MPa |
壳体试验压力MPa |
密封试验压力MPa |
适用温度℃ |
适用介质 |
0.1 |
0.15 |
0.11 |
≤120 |
空气、煤气、氮气等 |
配套电动装置参数
公称通径DN |
电动装置型号 |
功率KW |
单程启闭时间S |
200-250 |
QB90-1 |
0.25 |
15 |
300-500 |
QB120-1 |
0.37 |
15 |
400-500 |
QB250-1 |
0.55 |
15 |
600-800 |
TQ4000 |
0.75 |
45 |
900-1200 |
TQ8000 |
1.5 |
45 |
1400-1800 |
TQ16000 |
3.0 |
45 |
2000-2400 |
TQ32000 |
5.5 |
45 |
2600-3000 |
SMC-3/H6BC |
5.5 |
40 |
配套气动装置参数
公称通径DN |
气动装置型号 |
供气压力MPa |
耗气量CM3 |
接头尺寸in |
单程启闭时间S |
200-250 |
TAW13 |
0.4-0.7 |
3200 |
ZG1/4" |
≤25 |
300-350 |
TAW17 |
0.4-0.7 |
4100 |
ZG3/8" |
≤25 |
400-500 |
AW20 |
0.4-0.7 |
5700 |
ZG3/8" |
≤25 |
600-800 |
AW28 |
0.4-0.7 |
11500 |
ZG3/8" |
≤25 |
900-1400 |
QQA16000 |
0.4-0.7 |
21500 |
ZG3/4" |
≤25 |
|
|
|
|
| |
|
|
|